Типи виробів: AFHF-OG o Фітинги для кільцевих ущільнювачів
Галузеві стандарти: SAE J1453, ISO 8434-3, SAE J514, ISO 8434-2
Підключення E до F стиль: ORFS MALE O-RING / METIRC MALE РЕГУЛЮВАННЯ СЕРІЇ СТУДІЙНОГО СТРУЗУ ISO6149-2 РОБОТА
Форма: Лікоть, прямий, Трійник, Хрест і т.д.
ORFS Фітинги Норма робочого тиску: від 3215 фунтів / кв. Дюйм до 5800 фунтів на квадратний дюйм, 216 бар до 400 бар.
Комплект розмірів з кільцями з плоским обличчям та дизайн ущільнення з кільцем для обличчя, який ми також можемо запропонувати.
Різниця між ущільнювачем o кільця і ущільнювачем
Матеріал фурнітури: латунь; Вуглецева сталь; Нержавіюча сталь
Застосування: Сільськогосподарське обладнання, автомобільний процес, хімічна передача, будівельне обладнання, передача палива, гідравлічне, виробниче обладнання, морське, поводження з матеріалами, мобільне обладнання, нафтопромисловість, упаковка, транспорт
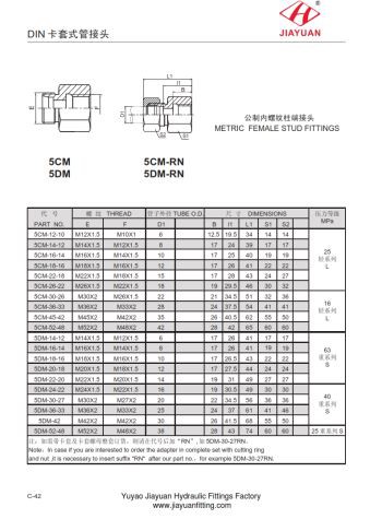
AFHF-OG ORFS MALE O-RING / METIRC MALE РЕГУЛЯЦІЙНА СЕРІЯ СТУДЕНТНОГО КОНТУРУ ISO6149-2 БРОНЧИЙ КОМПАНІЯ Розмір Таблиця розмірів:
PA RT Н О. | T HR EA D | О О- Р І НГ | Д І М Е Н С Я О НС | |||||||||
Е |
Ж |
Г |
Е |
Ж |
Г |
А |
Б |
С |
S 1 |
S 2 | ||
A FHF - 04 - 14 - 04 O G |
9/16 " Х 18 |
М14 Х 1 . 5 |
9/16 " Х 18 |
O 011 |
O 11 . 3 X 2 . 4 |
O 011 |
23 |
33 . 5 |
23 |
14 |
19 | |
A FHF - 06 - 16 - 06 O G |
11/16 " X 16 |
M16 X 1 . 5 |
11/16 " X 16 |
O 012 |
O 13 . 3 X 2 . 4 |
O 012 |
27 |
38 |
27 |
19 |
22 | |
A FHF - 08 - 22 - 08 O G |
13/16 " X 16 |
M22 X 1 . 5 |
13/16 " X 16 |
O 014 |
O 19 . 3 X 2 . 4 |
O 014 |
31 |
44 . 5 |
31 |
22 |
27 | |
A FHF - 10 - 22 - 10 O G |
1 " X 14 |
M22 X 1 . 5 |
1 " X 14 |
O 016 |
O 19 . 3 X 2 . 4 |
O 016 |
36 . 5 |
48 |
37 |
27 |
27 | |
A FHF - 12 - 27 - 12 O G |
1 . 3/16 " X 12 |
M27 X 2 |
1 . 3/16 " X 12 |
O 018 |
O 23 . 5 X 3 . 0 |
O 018 |
40 . 5 |
50 |
41 |
30 |
32 | |
A FHF - 16 - 33 - 16 O G |
1 . 7/16 " X 12 |
M33 X 2 |
1 . 7/16 " X 12 |
O 021 |
O 29 . 5 X 3 . 0 |
O 021 |
44 . 5 |
58 . 5 |
45 |
36 |
41 | |
Популярні Мітки: bt orfs метричні штуцери, Китай, виробники, постачальники, замовлення, латунь, swagelok, Parker, Stauff, Brennan, нержавіюча сталь











